6 年
手机商铺
公司新闻/正文
915 人阅读发布时间:2024-06-24 14:40
--细 胞 基 本 信 息---
细胞名称: VCaP(人前列腺癌细胞)
细胞别称: VCaP; VCaP; VertebralCanceroftheProstate
细胞货号: SNL-468
生长特性: 贴壁
培养条件: DMEM+10% FBS+1% P/S
培养环境: 37℃;5% CO2;饱和湿度
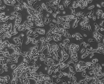
细胞简介: VCaP细胞是于1997年从一位不受激素影响的59岁的白人男性前列腺癌患者脊椎转移灶中建立的。VCaP细胞先在小鼠中进行异种移植传代,随后进行体外培养,体内及体外VCaP细胞都对雄性激素敏感。最近研究发现,VCaP细胞产生小鼠异种逆转录病毒Bxv-1,该病毒很可能是细胞在小鼠异种移植过程中获得的。VCaP细胞是一种生长非常缓慢的细胞系,在解冻后和继代培养后可能需要长达48小时才能附着。细胞通常需要至少2周或更长的时间才能达到约50%的融合,并始终存在粘附细胞、漂浮簇和中度至重度碎片的密集混合物。与T75瓶相比,T-25瓶中的细胞可以更好地恢复。不要丢弃培养基更换和传代培养过程中可能存在的任何漂浮细胞,使用温和的离心操作收集起来,并将其接种回原瓶。VCaP细胞以紧密形成的小簇和一些单个细胞附着,当细胞附着并开始增殖和扩散时,它们将生长为扁平的上皮样细胞岛,紧密堆积。VCaP细胞表达CK18、P53抗原、前列腺特异性抗原(PSA)、前列腺酸性磷酸酶(PAP)、Rb蛋白。VCaP细胞可以用于3D细胞培养和癌症研究。
细胞正常生长形态照片

VCaP细胞培养注意事项:
1. 贴壁较慢
传代或复苏之后,VCaP细胞需要48小时左右才能完全贴壁。建议将细胞接种至培养器皿后,放进培养箱耐心等待48小时再拿出培养瓶观察,更有利于细胞贴壁。
2. 细胞生长较慢
细胞通常需要至少2周或更长的时间才能达到约50%的融合,并始终存在粘附细胞、漂浮簇和中度至重度碎片的密集混合物。接种密度不可过低,建议每次传代为1:2 。
3. 存在漂浮细胞
不要丢弃培养基更换和传代培养过程中可能存在的任何漂浮细胞,使用温和的离心操作收集起来,并将其接种回原瓶。
4. 黑点较多
VCaP细胞培养时背景中可能有较多黑点,为细胞代谢产物和细胞碎片,不影响细胞生长。若黑点较多可以在换液时用预热的PBS轻轻润洗。
VCaP细胞传代攻略
1. 准备所需的培养基、胰酶、PBS、离心管、培养瓶以及无菌枪头等;(试剂提前预热)
2. 先尽量吸干净T25瓶原培养基,再加5mL 常温PBS轻轻润洗细胞10-20s,吸走润洗的PBS;
3. T25瓶加1mL 0.25%胰酶(含EDTA),轻轻晃动培养瓶以使胰酶铺匀瓶底细胞层,将培养瓶放入37度培养箱消化;
4. 消化到细胞明显回缩,间隙变大,但未完全脱落时加2-3mL完全培养基终止胰酶消化;
5. 混匀细胞并转移至离心管中,1000rpm离心3min;
6. 在新的培养瓶中加入适量新鲜培养基;(T25推荐10mL,T75推荐20mL)
7. 离心完成后,弃上清,加入适量新鲜培养基轻轻重悬吹散细胞,将细胞悬液均匀接种至培养瓶中,接种后在显微镜下确认细胞分散为单个细胞,十字法或8字法混匀,然后放入培养箱中继续培养,注意培养瓶盖透气。
Tips:
1. 推荐传代比例1:2,细胞生长至80%密度时即可传代。
2. 控制吹打力度轻柔,吹打次数不能过多(建议每次重悬吹打不超过10次)
VCaP细胞冻存攻略
1. 配制程序性冻存液,准备相应数量冻存管并做好标记。
Tips:推荐冻存液配方92%FBS+8%DMSO或92%完全培养基+8%DMSO
2. 先将细胞按传代步骤获得细胞沉淀;
3. 加入适量程序性冻存液轻轻重悬细胞,并将细胞悬液转移至冻存管中;
4. 将冻存管放入程序性冻存盒,放入-80℃冰箱过夜;
5. 转移冻存细胞至液氮保存并登记细胞保存位置。
Tips:
l 液氮保存24h后建议复苏一管检测冻存细胞的活性,若活性合格即可长期保存。
l 程序性冻存液需要配合程序性冻存盒使用,若使用非程序冻存液请按产品说明书处理降温过程。
l T25培养瓶长满通常可冻存2-3管,10cm皿长满通常可冻存3-4管。
l 冻存密度低将导致复苏后细胞状态不佳。
VCaP细胞复苏方法
1. 提前将水浴锅预热至37℃,培养基复温至室温或37℃,离心机设置好转速;
2. 将细胞从液氮罐中取出,观察管内无液氮的情况下,捏住管盖,将细胞冻存部分浸入水浴锅迅速摇晃,细胞融化至米粒大小冰块时终止水浴,融化过程不超过2min;
Tips:
l 若液氮或冰箱距离细胞房较远,细胞需要放在干冰或冰盒上运送至细胞房。
l 冻存管在液氮长期保存过程中难免渗入液氮,取出细胞时震动不要过大。水浴前一定要观察管内是否存在液氮,若有液氮需静置一会待液氮完全蒸发后再水浴。做好防护,避免冻存管炸开导致受伤。
l 水浴时使用一次性PE手套包住冻存管避免直接接触水源,避免污染。
3. 直接将冻存管以离心力150g(约900rpm)左右离心2min,不同离心机具体转速会有差异
4. 离心完成后弃上清,用预热的培养基缓慢加入冻存管,轻柔重悬细胞后接种至培养瓶中,轻轻混匀后放入培养箱;
5. 复苏24小时后观察细胞贴壁情况。
Tips:整个细胞复苏过程在尽可能5-10min内完成。
VCaP细胞收货攻略
l 常温细胞
1. 收货后,拆开外包装,用75%酒精消毒T25瓶表面,放37℃培养箱静置4h以上;
2. 吸走大部分培养基并留10-12 mL,显微镜下拍照保存细胞状态照片,观察细胞密度,若细胞密度大于80%即可按比例传代(首次传代比例建议1:2),若细胞密度低于70%可以留10-12 mL继续培养至细胞密度80%以上再进行传代培养;
Tips:若收货时发现悬浮细胞较多,应离心收集悬浮细胞并放回原瓶
l 冻存细胞
1. 细胞收货后尽快开箱检查,若干冰充足可以取出细胞迅速置于-80℃冰箱(2-3天内复苏)短期保存或液氮中长期保存,若干冰完全挥发建议立即复苏细胞并联系销售人员解决;
2. 冻存细胞建议尽快复苏一管培养检查,以免超出售后期,复苏步骤参考复苏攻略;
3. 复苏一管细胞出现异常及时联系销售人员,在专业技术支持的指导下进行下一步操作;
Tips:
1. 细胞收货出现漏液、培养瓶破损、干冰完全挥发等异常情况时,及时拍照联系销售人员;
2. 尚恩生物T25瓶发货的细胞内含对应细胞的完全培养基,可以收集原装培养瓶内培养基经1500rpm离心5min后,取上清于4℃保存用于后续细胞培养;
常见问题及解决方案
细胞密度怎么计算的?
严格意义上,细胞密度需要收集细胞悬液计数细胞数量,但在实际培养过程中,并不需要为了精确控制细胞数量而消化细胞计数。因此,常用的细胞密度指细胞相对于最大生长密度的比值,贴壁细胞可以粗略的用细胞所占培养容器底面积百分比表示,即显微镜下观察培养容器底部,有细胞的区域占总区域的百分比值,当然这种表达方式受限于单个细胞生长不同密度时所占面积不同导致并不严谨,但也是相当直观、简便的表现细胞状态的一种方式;
NO.2培养过程中细胞碎片较多怎么处理?
1. 细胞内的黑色颗粒是细胞外分泌泡及细胞器折光,这个属于细胞自身特性,无法清除也无法改变,大部分细胞都会有这种现象,只是不同细胞颗粒多少有区别,细胞培养体系不适应、营养缺乏、渗透压异常等均可能导致细胞内颗粒增加,建议使用合适的培养条件。
2. 细胞外的黑色颗粒大部分是细胞碎片和细胞代谢产物,可以先吸走培养基后用PBS润洗清除,再加新的培养基继续培养。润洗不能清除的可以换液清洗后等细胞密度70-80%左右消化处理细胞,消化完成后加完全培养基终止消化,混匀细胞,收集细胞悬液900-1000rpm(约150g)离心3min,弃上清。再加5mL PBS重悬细胞,再离心后,用完全培养基重悬接种到新的培养皿。第二次PBS重悬是为了去除碎片,如果平时碎片比较少,传代时可以省略PBS重悬的步骤;如果碎片很多,建议PBS多洗几次。
NO.3细胞具体消化时间是多久?
每个客户用的胰酶活力及消化步骤、试剂都是不一样的,不能完全规定消化时间,以实际消化效果和客户经验为准。
产品推荐:
【SNL-468】 VCaP(人前列腺癌细胞)
【SNLM-468】VCaP细胞专用培养基