6 年
手机商铺
公司新闻/正文
2813 人阅读发布时间:2024-04-23 15:10
--细 胞 基 本 信 息---
细胞名称: CT26.WT(小鼠结肠癌细胞)
细胞别称: CT26WT
细胞货号: SNL-117
生长特性: 贴壁
培养条件: 1640+10% FBS+1% P/S
培养环境: 空气,95%; 二氧化碳 (CO2),5%;37℃
细胞简介: CT26细胞是以N-亚硝基-N-甲基氨基甲酸酯(NNMU)诱导形成的未分化结肠癌细胞株,它克隆形成的细胞株命名为CT26.WT。用包含编码典型肿瘤相关抗原(TAA)β-半乳糖苷酶(β-gal)、lacZ基因的逆转录病毒载体LXSN稳定转染CT26.WT细胞,得到致死的亚克隆CT26.CL25。即使CT26.CL25细胞表达了典型的TAA-β-半乳糖苷酶,在正常小鼠中CT26.CL25细胞和CT26.WT细胞的生长率与致死率也保持基本一致。CT26.WT细胞与CT26.CL25细胞一起可用作测试免疫治疗程序的模型,并用于研究宿主免疫反应。2001年7月提交给ATCC的培养物被发现被支原体污染,通过用BM Cycline治疗21天治愈后代,治疗后6周,通过Hoechst染色、PCR和标准培养试验对细胞进行支原体检测,所有测试均为阴性。CT26细胞可以用于3D细胞培养。
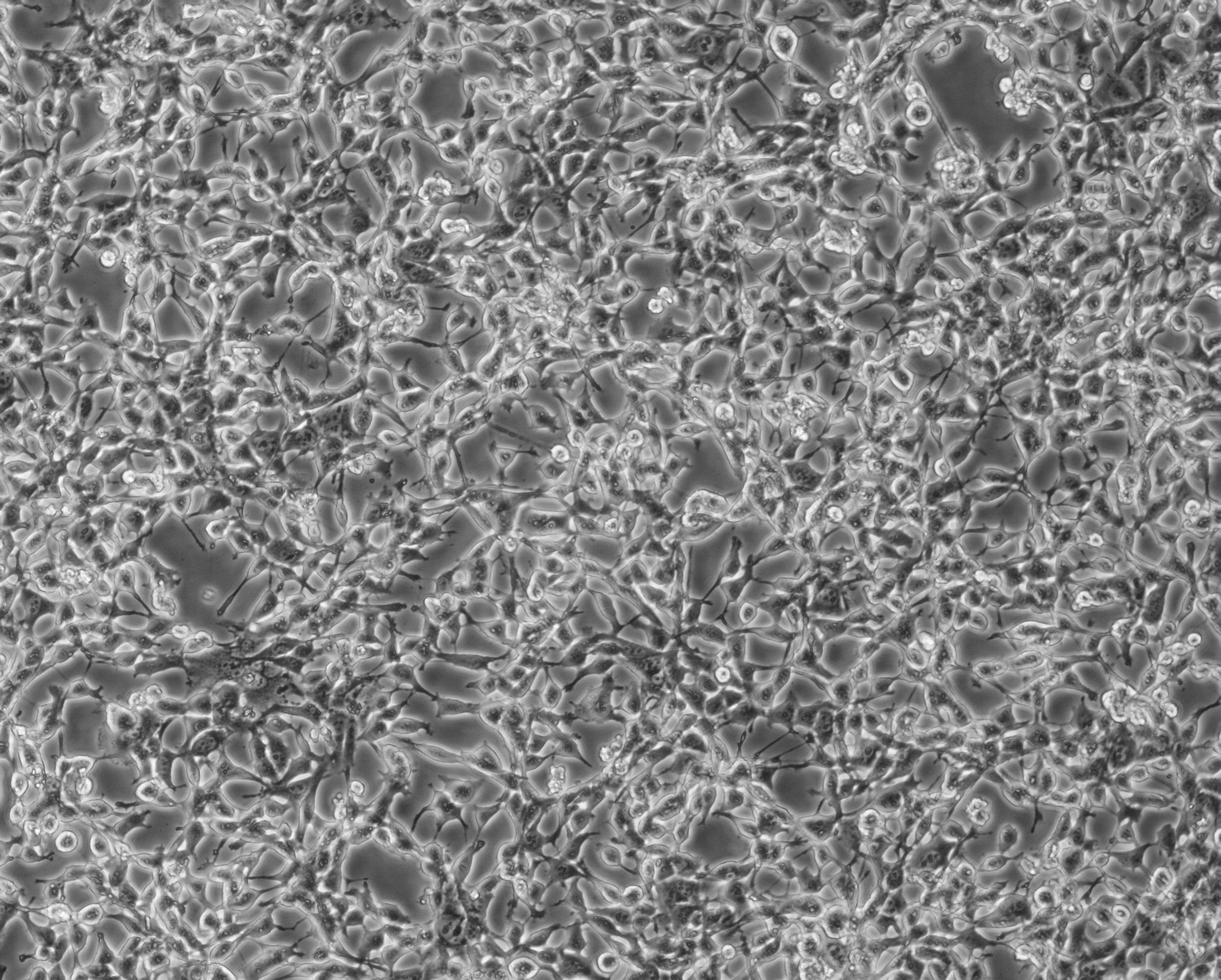
细胞正常生长形态照片


CT26.WT细胞培养注意事项:
1. 细胞贴壁较弱
该细胞贴壁比较弱,消化时间偏短,注意控制消化时间(消化步骤见下文传代攻略)
。
另外,在遇到快递运输震荡、低温、室温静置太长时间、添加的培养基或其他试剂过冷等情况时会出现明显的细胞回缩变粗变短甚至脱落的现象,及时放回培养箱静置培养后可恢复正常。
平时注意传代换液前将培养基、PBS等试剂充分预热,不要把细胞放在室温下太长时间。采用T25瓶发货,收货时可能出现部分细胞漂浮,正确处理后细胞可正常生长(处理方法见下文收货攻略)
2. 密度较高时易堆叠生长
注意控制细胞密度不要过高,长期高密度培养易导致细胞堆叠生长或细胞聚团。
3. 传代后容易聚集成团
该细胞传代容易聚集成团,传代的时候注意尽量将细胞吹散为单个分散的细胞。
4. 细胞生长较快
培养时应加入足量的培养基,避免培养基营养快速耗尽导致细胞脱落或状态变差。注意关注培养基颜色变化和细胞密度,培养基变黄后及时换液,细胞密度到达80%后及时传代。
CT26.WT细胞传代攻略
1. 准备所需的培养基、胰酶、PBS、离心管、培养瓶以及无菌枪头等;(试剂提前预热)
2. 先尽量吸干净T25瓶原培养基,再加5mL 常温PBS轻轻润洗细胞10-20s,吸走润洗的PBS;
3. T25瓶加1mL胰酶,轻轻晃动培养瓶以使胰酶铺匀瓶底细胞层,将培养瓶放入37度培养箱消化;
4. 消化到细胞明显回缩,间隙变大,但未完全脱落时加2-3mL完全培养基终止胰酶消化;
Tips:
如果您无法准确掌控胰酶作用时间,建议按照下述操作:加入胰酶后,放入37度培养箱消化,然后每隔30秒拿出观察,若细胞部分滑落,说明消化完成可以终止消化,否则再放回培养箱消化30秒重复操作直至细胞能够自然滑落;细胞贴壁较弱,所以消化时间会比常规贴壁细胞短很多,注意控制消化时间;
5. 混匀细胞并转移至离心管中,1000rpm离心3min;
6. 在新的培养瓶中加入适量新鲜培养基;(T25推荐10mL,T75推荐20mL)
7. 离心完成后,弃上清,加入适量新鲜培养基轻轻重悬吹散细胞,将细胞悬液均匀接种至培养瓶中,十字法或8字法混匀,然后放入培养箱中继续培养,注意培养瓶盖透气;
Tips:
1. 推荐传代比例1:2,细胞生长至80%密度时立即传代。
2. 建议传代后24h观察细胞,若有漂浮死细胞,可通过换液去除(换液前培养基预热)
CT26.WT细胞冻存攻略
1. 配制程序性冻存液,准备相应数量冻存管并做好标记。
Tips:推荐冻存液配方92%FBS+8%DMSO或92%完全培养基+8%DMSO
2. 先将细胞按传代步骤获得细胞沉淀;
3. 加入适量程序性冻存液轻轻重悬细胞,并将细胞悬液转移至冻存管中;
4. 将冻存管放入程序性冻存盒,放入-80℃冰箱过夜;
5. 转移冻存细胞至液氮保存并登记细胞保存位置。
Tips:
l 液氮保存24h后建议复苏一管检测冻存细胞的活性,若活性合格即可长期保存。
l 程序性冻存液需要配合程序性冻存盒使用,若使用非程序冻存液请按产品说明书处理降温过程。
l T25培养瓶长满通常可冻存2-3管,10cm皿长满通常可冻存3-4管。
l 冻存密度低将导致复苏后细胞状态不佳。
CT26.WT细胞复苏方法
1. 提前将水浴锅预热至37℃,培养基复温至室温或37℃,离心机设置好转速;
2. 将细胞从液氮罐中取出,观察管内无液氮的情况下,捏住管盖,将细胞冻存部分浸入水浴锅迅速摇晃,细胞融化至米粒大小冰块时终止水浴,融化过程不超过2min;
Tips:
l 若液氮或冰箱距离细胞房较远,细胞需要放在干冰或冰盒上运送至细胞房。
l 冻存管在液氮长期保存过程中难免渗入液氮,取出细胞时震动不要过大。水浴前一定要观察管内是否存在液氮,若有液氮需静置一会待液氮完全蒸发后再水浴。做好防护,避免冻存管炸开导致受伤。
l 水浴时使用一次性PE手套包住冻存管避免直接接触水源,避免污染。
3. 直接将冻存管以离心力150g(约900rpm)左右离心2min,不同离心机具体转速会有差异
4. 离心完成后弃上清,用预热的培养基缓慢加入冻存管,轻柔重悬细胞后接种至培养瓶中,轻轻混匀后放入培养箱;
5. 复苏24小时后观察细胞贴壁情况。
Tips:整个细胞复苏过程在尽可能5-10min内完成。
CT26.WT细胞收货攻略
l 常温细胞
1. 收货后,拆开外包装,用75%酒精消毒T25瓶表面,放37℃培养箱静置4h以上;
2. 吸走大部分培养基并留10-12 mL,显微镜下拍照保存细胞状态照片,观察细胞密度,若细胞密度大于80%即可按比例传代(首次传代比例建议1:2),若细胞密度低于70%可以留10-12 mL继续培养至细胞密度80%以上再进行传代培养;
Tips:若收货时细胞发生脱落漂浮,请按以下步骤处理:
1. 先放培养箱静置4h,所有培养基(1200rpm,5min)离心收集漂浮细胞。
2. 离心完,上清转移至新的离心管后续可用于培养细胞。用1mL 0.25%胰酶(含EDTA)轻轻吹起细胞沉淀(不要反复吹打),室温静置30s后加3mL完培中和胰酶,离心去上清,用新鲜完培重悬混匀细胞。
3. 同时,贴壁细胞用预热的PBS轻轻润洗后加1mL胰酶(勿冲洗),放37度培养箱消化1min,加3mL完培中和胰酶,离心去上清,用新鲜完培重悬混匀细胞。
4. 第2、3步收集的细胞合并起来,均匀接种到2个新的T25培养瓶(或6cm皿)中。48h后观察细胞状态。
l 冻存细胞
1. 细胞收货后尽快开箱检查,若干冰充足可以取出细胞迅速置于-80℃冰箱(2-3天内复苏)短期保存或液氮中长期保存,若干冰完全挥发建议立即复苏细胞并联系销售人员解决;
2. 冻存细胞建议尽快复苏一管培养检查,以免超出售后期,复苏步骤参考复苏攻略;
3. 复苏一管细胞出现异常及时联系销售人员,在专业技术支持的指导下进行下一步操作;
Tips:
1. 细胞收货出现漏液、培养瓶破损、干冰完全挥发等异常情况时,及时拍照联系销售人员;
2. 尚恩生物T25瓶发货的细胞内含对应细胞的完全培养基,可以收集原装培养瓶内培养基经1500rpm离心5min后,取上清于4℃保存用于后续细胞培养;
常见问题及解决方案
细胞密度怎么计算的?
严格意义上,细胞密度需要收集细胞悬液计数细胞数量,但在实际培养过程中,并不需要为了精确控制细胞数量而消化细胞计数。因此,常用的细胞密度指细胞相对于最大生长密度的比值,贴壁细胞可以粗略的用细胞所占培养容器底面积百分比表示,即显微镜下观察培养容器底部,有细胞的区域占总区域的百分比值,当然这种表达方式受限于单个细胞生长不同密度时所占面积不同导致并不严谨,但也是相当直观、简便的表现细胞状态的一种方式;
NO.2培养过程中细胞碎片较多怎么处理?
1. 细胞内的黑色颗粒是细胞外分泌泡及细胞器折光,这个属于细胞自身特性,无法清除也无法改变,大部分细胞都会有这种现象,只是不同细胞颗粒多少有区别,细胞培养体系不适应、营养缺乏、渗透压异常等均可能导致细胞内颗粒增加,建议使用合适的培养条件。
2. 细胞外的黑色颗粒大部分是细胞碎片和细胞代谢产物,可通过换液去除,因此每2天正常换液即可,换液前培养基充分预热。
NO.3细胞具体消化时间是多久?
每个客户用的胰酶活力及消化步骤、试剂都是不一样的,不能完全规定消化时间,以实际消化效果和客户经验为准。
产品推荐:
【SNL-117】 CT26.WT(小鼠结肠癌细胞)
【SNLM-117】CT26.WT细胞专用完全培养基