武汉尚恩生物技术有限公司品牌商

6

手机商铺

qrcode
商家活跃:
产品热度:
  • NaN
  • 0.20000000000000018
  • 0.20000000000000018
  • 2.2
  • 2.2
重组人粒细胞-巨噬细胞刺激因子rhGM-CSF
¥750
品牌商

武汉尚恩生物技术有限公司

入驻年限:6

  • 联系人:

    左女士

  • 所在地区:

    湖北 武汉市 江夏区

  • 业务范围:

    细胞库 / 细胞培养、抗体、ELISA 试剂盒、技术服务、医疗器械

  • 经营模式:

    生产厂商

在线沟通
推荐产品

Sunncell 700 Anti-Human CD16(3G8)

品牌:尚恩生物/SUNNCELL

¥1652 - 4060

咨询

Sunncell 700 Anti-Human CD44 Antibody(P2A1)

品牌:尚恩生物/SUNNCELL

¥1022 - 2730

咨询

Sunncell 647 Anti-Mouse CD45R/B220 Antibody(RA3.3A 1/6.1)

品牌:尚恩生物/SUNNCELL

¥910 - 1400

咨询

Sunncell 647 Anti-Mouse TCRβ Antibody(H57-597)

品牌:尚恩生物/SUNNCELL

¥994 - 1470

咨询

Sunncell 647 Anti-Mouse CD45R/B220 Antibody(RA3-6B2)

品牌:尚恩生物/SUNNCELL

¥910 - 1400

咨询
查看全部产品

公司新闻/正文

细胞攻略 | SH-SY5Y(人神经母细胞瘤细胞)细胞培养教程

12968 人阅读发布时间:2023-03-20 10:39

细胞基本信息

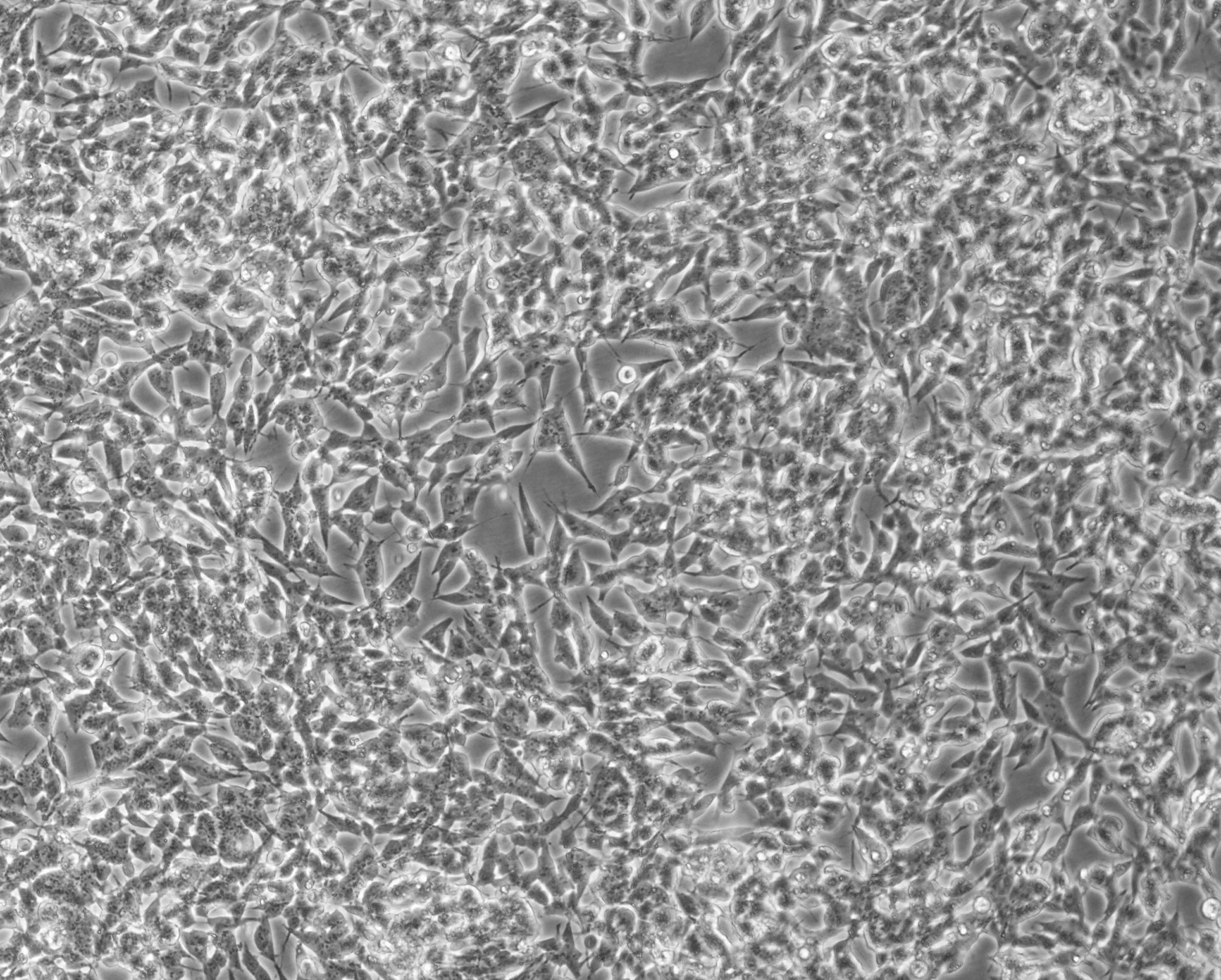
新闻图片1新闻图片2
▲SH-SY5Y细胞正常生长形态照片

细胞名称: SH-SY5Y(人神经母细胞瘤细胞)
细胞别称: SHSY5Y; SHSY-5Y; SH-Sy5y; SK-SH-SY5Y; SY5Y
细胞货号: SNL-092
生长特性: 贴壁
培养条件: DMEM+10% FBS+1% P/S
培养环境:空气,95%;二氧化碳 (CO2),5%
细胞简介: SH-SY5Y细胞是SK-N-SH细胞系经3次克隆后的亚系(SK-N-SH→SH-SY→SH-SY5→SH-SY5Y),母株SK-N-SH细胞是1970年来源于4岁女性患者骨瘤转移灶的神经母细胞瘤。SH-SY5Y细胞具有中等水平的多巴胺-β-羟基酶活性,细胞生长饱和密度大于1×10^6/cm^2。SH-SY5Y细胞可以用于3D细胞培养、高通量筛选、免疫学、神经科学、毒理学研究,也是一种合适的转染宿主。

 
SH-SY5Y细胞特点


1、细胞贴壁较弱
细胞贴壁比较弱,因此在遇到运输低温及震荡、室温静置太长时间、添加的培养基或其他试剂过冷、密度较高、聚集未吹散、加液吹打到细胞面等情况时会出现明显的成片脱落现象,此时若脱落现象不严重应尽快放回培养基继续培养,若呈大片脱落的情况时需要收集细胞重新消化吹散并接种;
建议使用经过包被或者高贴壁培养瓶培养细胞,尽量避免接触低温或密度过高;
2、细胞本身偏嗜酸性,消耗培养基较快
有细胞在略微偏酸性的环境下生长状态会比偏碱性的好,注意培养基pH控制;
细胞密度达到70%以上时,培养基消耗会很快,主意及时观察并换液;
3、细胞生长到完全汇合时间较长
细胞呈岛状生长,生长是逐渐向外发射状增多,最终生长成片,但仍会有较多细胞间间隙;
4、细胞聚团后很难再吹散
细胞传代过程中一定要注意吹散细胞,接种密度不要过高,否则接种后细胞聚团将很难再吹散,会形成类似神经球的聚集体贴壁生长,培养条件合适的情况下细胞会逐渐摊开生长,但若培养条件无法有效促进细胞贴壁,可能会长时间呈球状增殖;

 
细胞收货攻略



常温细胞:
1.T25瓶收货后,拆开外包装,用75%酒精消毒T25瓶表面,放37℃培养箱静置2-4h;

2.吸走大部分培养基并留10-12 ml,显微镜下拍照保存细胞状态照片,观察细胞密度,若细胞密度大于80%即可按比例传代(首次传代比例建议1:2),若细胞密度低于70%可以留10-12 ml继续培养至细胞密度80%以上再进行传代培养;

冻存细胞:
1.细胞收货后尽快开箱检查,若干冰充足可以取出细胞迅速置于-80℃冰箱(2-3天内复苏)短期保存或液氮中长期保存,若干冰完全挥发建议立即复苏细胞并联系销售人员解决;

2.冻存细胞建议尽快复苏一管培养检查,以免超出售后期,复苏步骤参考复苏攻略;
3.复苏一管细胞出现异常及时联系销售人员,在专业技术支持的指导下进行下一步操作;

Tips:

1.细胞收货出现漏液、培养瓶破损、干冰完全挥发等异常情况时,及时拍照联系销售人员;

2.该细胞贴壁生长,T25瓶运输过程中经常出现大量细胞脱落并聚团的情况,细胞脱落建议按以下步骤处理:   
收货发现细胞脱落聚集,可以将所有细胞收集起来,在50ml离心管内离心,上清保存备用,再用PBS重悬细胞,尽量吹散后离心弃上清。
沉淀用1ml胰酶重悬,放37度消化2min,先轻轻吹散细胞,再加4ml左右完全培养基终止消化吹散细胞至无肉眼可见团块,离心弃上清,加第一步保存的培养基重悬后接种到新的培养瓶。由于贴壁较弱细胞消化时间本身较短,注意必须控制消化时间和吹打力度,避免细胞消化或吹打死亡过多导致无法正常贴壁生长。
由于运输会脱落的细胞本身贴壁较弱,建议使用高贴附培养瓶或提前包被过的培养瓶培养细胞。

3.该尚恩生物T25瓶发货的细胞内含对应细胞的完全培养基,可以收集原装培养瓶内培养基经1500rpm离心5min后,取上清于4℃保存用于后续细胞培养;
 

细胞传代攻略

❖1.先尽量吸干净T25瓶原培养基,再加3-4ml 常温PBS轻轻润洗细胞10-20s,吸走润洗的PBS;

❖2.T25瓶加1ml左右胰酶,轻轻晃动培养瓶以使胰酶铺匀瓶底细胞层,将培养瓶放入37度培养箱消化;

❖3.消化到细胞间隙变大,但未完全脱落时加2-3ml完全培养基终止胰酶消化;

❖4.混匀细胞,900rpm离心3-5min,弃上清;

❖5.加新的完全培养基轻轻重悬细胞,均匀分到新的培养瓶里,补足完全培养基,将培养瓶放回培养箱静置培养;

Tips:

1.对于消化细胞程度,客户如果经验不多,无法准确掌控胰酶作用时间,建议客户按照下述操作:胰酶首先复温到室温后加入细胞,放入37度培养箱,然后每隔30秒,即吹打下细胞(此时吹打细胞应尽量轻柔,不能强行将细胞吹下,否则细胞可能出现机械损伤),如果能够吹打散细胞,说明细胞消化完成可以终止消化,如果30秒吹打不下,再等30秒重复操作直至能够轻柔的吹下细胞;LNCaP clone FGC细胞贴壁较弱,所以消化时间会比常规贴壁细胞短很多,注意控制消化时间;

2.T25瓶加10-12ml完全培养基,10cm皿加12-15ml,2-3天换液一次。

3.细胞收货后首次传代建议按1:2传代,后续培养可以视具体细胞生长状态和密度情况决定传代比例;

4.传代后24h建议观察细胞并换液一次去除死亡细胞;

细胞冻存攻略


冻存步骤:
❖1.先将细胞按传代步骤消化、离心,至传代步骤4,弃细胞上清,获得细胞沉淀;

❖2.加入适量预先配好的程序性冻存液轻轻重悬细胞,并将细胞悬液转移至做好标记的冻存管中;

❖3.将冻存管放入程序性冻存盒,放入-80℃冰箱过夜;

❖4.转移细胞至液氮保存并登记细胞保存位置,液氮保存24h后建议复苏一管检测冻存细胞的活性,若活性合格即可长期保存,若低于80%建议重新冻存;

Tips:

1.检测冻存细胞活性结果未合格前,培养瓶内细胞建议继续培养直至确认冻存合格方可视需要丢弃;

2.程序性冻存液需要配合程序性冻存盒使用,若使用非程序冻存液可以按产品说明书处理降温过程;

3.T25培养瓶长满通常可以冻存2-3管,10cm皿长满可以冻存3-4管;
 

细胞复苏攻略


复苏步骤:

❖1. 将所需的完全培养基放在培养箱预热30min后开始复苏;
❖2. 准备37度温水,将细胞从液氮罐取中出,观察管内无液氮的情况下,捏住管盖,将细胞冻存部分浸入温水轻轻摇晃,融化至米粒大小冰块,终止水浴;
❖3. 将冻存管以离心力150g(约900rpm)左右离心1-2min,不同离心机具体转速会有差异;
❖4. 离心完成后弃冻存液,用刚才预热的培养基缓慢加入冻存管,并轻柔重悬细胞后接种至T25或者10cm皿中,轻轻混匀后放入培养箱;
❖5. 24h后观察细胞并换液一次,放回培养箱继续培养;

Tips:

1.冻存管在液氮长期保存过程中难免渗入液氮,取出细胞时震动不要过大,水浴前一定要观察管内是否存在液氮,若有液氮建议静置一会待液氮完全蒸发后再水浴;

2.水浴时可以使用一次性PE手套包住冻存管避免直接接触水源,可以降低管盖缝隙渗入水导致污染的概率;

3.水浴至剩米粒大小时及时终止水浴,避免过度水浴或水浴时间不足;

4.建议水浴完成后直接在离心管内离心细胞,避免再次转移细胞;

5.复苏后的细胞比较脆弱,吹打和转移细胞时尽量轻柔,复苏24h后换液去除死亡细胞;

 

常见问题及解决方案

1、细胞密度怎么计算的?
严格意义上,细胞密度需要收集细胞悬液计数细胞数量,但在实际培养过程中,并不需要为了精确控制细胞数量而消化细胞计数。因此,常用的细胞密度指细胞相对于最大生长密度的比值,贴壁细胞可以粗略的用细胞所占培养容器底面积百分比表示,即显微镜下观察培养容器底部,有细胞的区域占总区域的百分比值,当然这种表达方式受限于单个细胞生长不同密度时所占面积不同导致并不严谨,但也是相当直观、简便的表现细胞状态的一种方式;
2、培养过程中细胞碎片较多怎么处理?
1.细胞内的黑色颗粒是细胞外分泌泡及细胞器折光,这个属于细胞自身特性,无法清除也无法改变,大部分细胞都会有这种现象,只是不同细胞颗粒多少有区别,细胞培养体系不适应、营养缺乏、渗透压异常等均可能导致细胞内颗粒增加,建议使用合适的培养条件。

2.细胞外的黑色颗粒大部分是细胞碎片和细胞代谢产物,可以先吸走培养基后用PBS润洗清除,再加新的培养基继续培养。润洗不能清除的可以换液清洗后等细胞密度70-80%左右消化处理细胞,消化完成后加完全培养基终止消化,混匀细胞,收集细胞悬液900-1000rpm(约150g)离心3min,弃上清。再加5ml PBS重悬细胞,再离心后,用完全培养基重悬接种到新的培养皿。第二次PBS重悬是为了去除碎片,如果平时碎片比较少,传代时可以省略PBS重悬的步骤;如果碎片很多,建议PBS多洗几次。
3、细胞具体消化时间是多久?
每个客户用的胰酶活力及消化步骤、试剂都是不一样的,不能完全规定消化时间,以实际消化效果和客户经验为准。 
4、细胞培养瓶是怎么包被的?
细胞培养瓶包被方法有很多,例如多聚赖氨酸、明胶、鼠尾胶原等,不同的包被原理和效果都不太一样,具体可以根据实际实验室条件选择合适的包被材料。注意包被后应及时使用,包被后放的时间越长效果越来越差的。
市面上也有特殊处理的培养瓶可以选择,常规TC处理或者corning的cellbind型号培养瓶都是不错的选择。
5、细胞培养过程中出现聚团现象怎么处理?
细胞传代过程中建议尽可能吹散细胞,并在显微镜下确认细胞基本分散后再接种细胞;
细胞培养建议使用优质培养体系并保证温度、湿度、二氧化碳浓度适宜,能有效避免细胞吹散后在贴壁时再聚团的现象, 也可以减轻细胞聚团后无法重新摊开生长的症状;
培养过程中轻微聚团可以稍微延长消化时间并在消化终止后将细胞悬液静置1-2min,让大团细胞下沉后尽量吸取上层的分散细胞传代,聚团过于严重的建议重新培养或者更换培养体系;



产品推荐
【SNL-092】 SH-SY5Y(人神经母细胞瘤细胞)
【SNLM-092】SH-SY5Y细胞专用培养基

 

上一篇

来吗?这是一份诚挚的邀请函!

下一篇

细胞世界:细胞培养时候里面的圆球球到底是什么?

更多资讯

我的询价